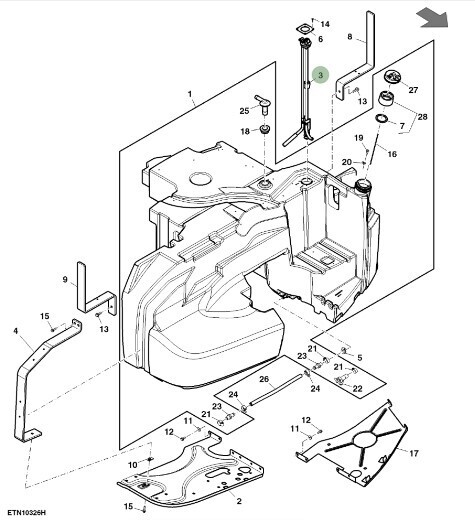
Aforador de combustible.
REF RE342638
U$S509,17
Agotado
Aforador de combustible 745 mm de largo.
Información del producto
Peso: 2,11 kg
APLICACIONES
TRACTOR: 8235R, 8260R, 8285R, 8310R, 8335R, 8360R (S.N. 016001 - 090000).
Consulte catalogo de partes para ver su uso
REFERENCIA
RE287778
Guardar este producto para más tarde
Aforador de combustible.
Mostrar precios en:USD
