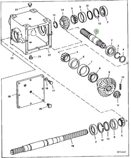
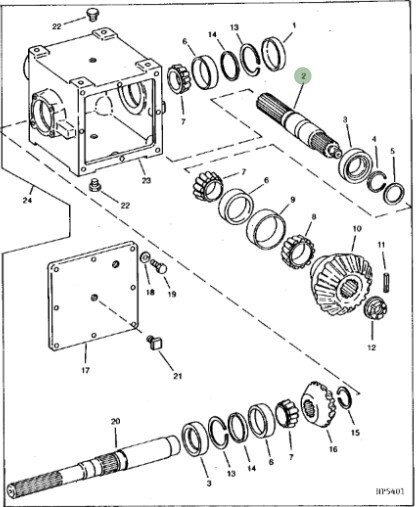
Eje de mando
REF CE16592
U$S1.000,91
DESTACADO
1
Información del producto
Caja de engranajes del mando del modulo, lado izquierdo
Usar con CE16510
APLICACIONES
COSECHADORA: CTS, CTSII (North American Versión), CTS Cosechadora (670101-674000) (Edición Europea), CTSII Cosechadora (s.n. 675000 -) (Edición Europea)
Guardar este producto para más tarde
Eje de mando
Mostrar precios en:USD

